Les noix de décrochage en acier au carbone sont un type de fixation utilisé pour connecter des plaques minces ou des métaux en feuille. Ils sont en acier au carbone, trempés et éteintes pour augmenter la dureté, et la surface est galvanisée ou autrement réalisée par la corrosion.
L'écrou de décrochage d'étanchéité est assez simple, vous pouvez utiliser des outils de raccrochage pneumatiques ou hydrauliques standard. Voici comment cela fonctionne: tout d'abord, mettez l'écrou dans un trou pré-braqué, puis utilisez un jeu de poinçon et de matrice pour appliquer une pression. La matrice appuie la tôle autour du collier du corps à corps, formant une serrure mécanique solide en une étape rapide.
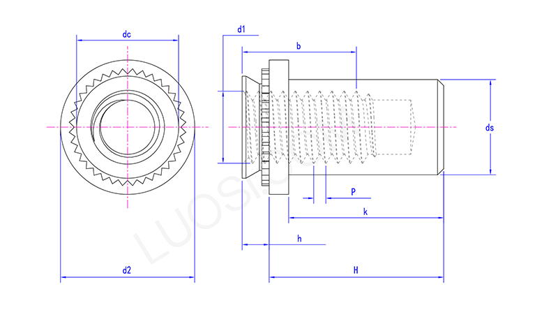
| Lun | M3-1 | M3-2 | M4-1 | M4-2 | M5-1 | M5-2 | M6-1 | M6-2 |
| P | 0.5 | 0.5 | 0.7 | 0.7 | 0.8 | 0.8 | 1 | 1 |
| DS Max | 3.84 | 3.84 | 5.2 | 5.2 | 6.35 | 6.35 | 8.75 | 8.75 |
| DC Max | 4.2 | 4.2 | 5.38 | 5.38 | 6.33 | 6.33 | 8.73 | 8.73 |
| B min | 5.3 | 5.3 | 7.1 | 7.1 | 7.1 | 7.1 | 7.8 | 7.8 |
| H Max | 0.91 | 1.38 | 0.97 | 1.38 | 0.97 | 1.38 | 1.38 | 1.38 |
| H Max | 9.85 | 9.85 | 11.45 | 11.45 | 11.45 | 11.45 | 14.55 | 14.55 |
| H min | 9.35 | 9.35 | 10.95 | 10.95 | 10.95 | 10.95 | 14.05 | 14.05 |
| k max | 8.5 | 8.5 | 9.8 | 9.8 | 9.8 | 9.8 | 12.7 | 12.7 |
| d2 max | 6.6 | 6.6 | 8.2 | 8.2 | 9 | 9 | 11.35 | 11.35 |
| D2 min | 6.1 | 6.1 | 7.7 | 7.7 | 8.5 | 8.5 | 10.85 | 10.85 |
| D1 | M3 | M3 | M4 | M4 | M5 | M5 | M6 | M6 |
Les noix de décrochage en acier au carbone sont définies par des mesures clés: la taille du fil (comme M4, M5, M6 ou 1/4 "-20), le diamètre du col de déclin, la hauteur totale, les dimensions de la laveuse d'étanchéité et la plage d'épaisseur de feuille avec lesquelles ils travaillent (Min et Max).
Leur force de clinch (comment ils résistent bien à être repoussés ou à tordre) est testé par rapport aux normes de l'industrie (pensez à ISO, DIN, IFI). Choisir la bonne taille est un gros problème, il s'assure que le sceau tient et que l'écrou est suffisamment fort pour le travail.
Pour installer le noix de décrochage de scellage en acier en carbone, vous avez besoin d'un outil de décrochage spécialisé et d'un ensemble de matrices qui correspond exactement à la taille de l'écrou. Tout d'abord, mettez l'écrou dans un trou pré-braqué dans la tôle. Ensuite, l'outil applique une pression contrôlée, ce qui fait que le pilote de l'écrou et le galet coule dans le métal environnant. Ce processus de formation à froid verrouille le noix en acier inoxydable en place pour de bon et en même temps, il écrase la rondelle d'étanchéité intégrée contre le panneau. C’est ainsi que cela crée le joint anti-fuite qui rend ces noix uniques.
