Maison > Des produits > Boulon > Boulon à bride à tête hexagonale > Boulons à joint isolés haute résistance de classe 10.9
        Boulons à joint isolés haute résistance de classe 10.9
        • Boulons à joint isolés haute résistance de classe 10.9Boulons à joint isolés haute résistance de classe 10.9
        • Boulons à joint isolés haute résistance de classe 10.9Boulons à joint isolés haute résistance de classe 10.9
        • Boulons à joint isolés haute résistance de classe 10.9Boulons à joint isolés haute résistance de classe 10.9

        Boulons à joint isolés haute résistance de classe 10.9

        Les boulons à joint isolés haute résistance de classe 10.9 produits par notre Xiaoguo® sont très fiables, car fabriqués en acier au carbone de haute qualité, ils présentent une résistance, une fermeté et une stabilité élevées. Nos boulons sont en stock, ils peuvent donc être expédiés rapidement. Vous souhaitez connaître le prix du produit ? Veuillez nous contacter et nous pourrons vous proposer un prix dans les plus brefs délais.
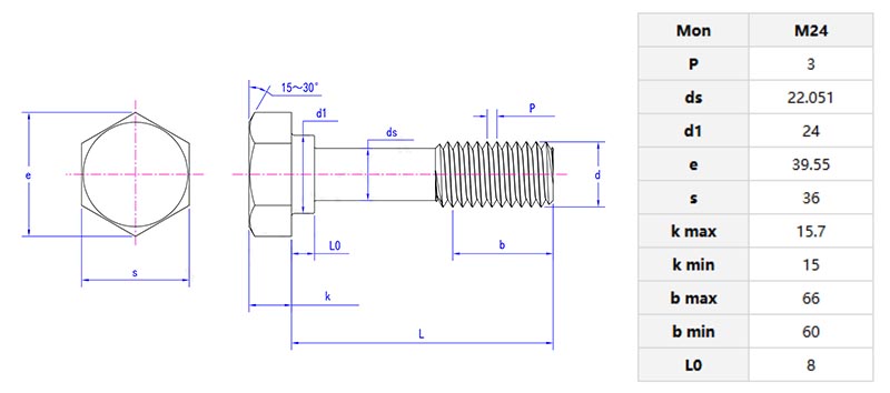
        Modèle:TB/T 2347-1993

        envoyer une demande

        Description du produit

        Boulons à joint isolés haute résistance de classe 10.9sont utilisés dans les machines lourdes et peuvent résister à des charges extrêmes. Par exemple, les équipements miniers ou les presses hydrauliques et les manchons isolants (comme le nylon ou le PVC) peuvent bloquer le courant.

        Class 10.9 high strength insulated joint bolts

        Détails et paramètres du produit


        Les boulons à joint isolés de classe 10.9 sont généralement fabriqués en acier au carbone moyen ou en acier allié à faible teneur en bore. Après traitement de trempe et de revenu, ils atteignent la norme de haute résistance de grade 10.9. Ils peuvent fixer fermement les voies et les aiguillages, assurant ainsi le fonctionnement stable des trains de marchandises.

        La résistance à la traction minimale des boulons à joint isolés à haute résistance peut atteindre 1 040 mégapascals et la limite d'élasticité minimale est de 940 mégapascals. Ils peuvent résister de manière stable à des forces de traction et de compression importantes, et la connexion est extrêmement ferme. Il peut bloquer efficacement la conduction du courant ou empêcher les interférences provenant d'autres médias.

        Pour la fabrication d'équipements électriques,Boulons à joint isolés haute résistance de classe 10.9sont installésdans des endroits tels que les transformateurs et les armoires de distribution. Lorsqu’un transformateur est en fonctionnement, il génère un puissant champ électrique. Les connexions des composants internes doivent avoir une solidité suffisante mais également empêcher l'électricité de circuler librement pour éviter des défauts tels que des courts-circuits. Les boulons à joint isolés à haute résistance peuvent simplement répondre à ces exigences strictes et garantir le fonctionnement sûr et stable des équipements électriques.


        Class 10.9 high strength insulated joint bolts

        Caractéristiques du produit

        La partie isolante deBoulons à joint isolés haute résistance de classe 10.9utilise des matériaux isolants spéciaux, tels que certains matériaux isolants polymères. Ces matériaux ont de bonnes propriétés isolantes et peuvent empêcher efficacement le passage du courant électrique. De plus, dans des conditions normales d’utilisation, les performances d’isolation peuvent être maintenues pendant longtemps. Même dans un environnement gazeux légèrement humide ou légèrement corrosif, il peut toujours jouer un rôle isolant de manière stable.

        Balises actives: Boulons à joint isolés haute résistance de classe 10.9, Chine, fabricant, fournisseur, usine
        Catégorie associée
        envoyer une demande
        N'hésitez pas à faire votre demande dans le formulaire ci-dessous. Nous vous répondrons dans les 24 heures.
        X
        Nous utilisons des cookies pour vous offrir une meilleure expérience de navigation, analyser le trafic du site et personnaliser le contenu. En utilisant ce site, vous acceptez notre utilisation des cookies. politique de confidentialité
        Rejeter Accepter