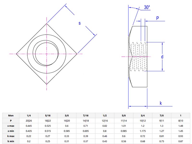
LeNu carré fini grossiertest une fixation de base sans fioritures avec de grands fils (pas grossier) et une forme carrée. Sa finition de surface rugueuse, souvent plaquée au zinc ou enduit d'oxyde noir, résiste à la rouille et gère des travaux difficiles.

Si vous avez besoin d'utiliser des boulons dans des environnements difficiles, vous pouvez choisirÉcrou carré fini grossier. Sa surface brute tient également mieux dans les environnements sales ou grasses, réduisant le glissement pendant le resserrement. L'écrou carré peut être verrouillé en place avec une clé ou une pince. Il convient aux machines, à l'équipement agricole ou à la construction. Pas de revêtement de fantaisie, juste en acier de base, facile à manipuler une utilisation haute résistance.
Mécanique fixant les vieux camions ou tracteursÉcrou carré fini grossierpour les boulons rouillés ou usés. La surface rugueuse s'adapte mieux aux filetages endommagés que les écrous polis, et la forme carrée ne s'arrête pas sous un couple lourd. Idéal pour les systèmes d'échappement, les réparations du châssis ou tout ce qui est exposé à la graisse et à la crasse. Il suffit de le faire tomber et de travailler.
Lorsque les agriculteurs réparent des charrues ou des équipements d'irrigation, ils utilisent souvent leÉcrou carré fini grossiercar il est facile à utiliser. La surface rugueuse peut traiter efficacement la saleté et la saleté pour éviter le colmatage. Les écrous carrés peuvent être fixés dans des espaces restreints. Même avec des gants, il peut être facilement installé en utilisant uniquement des outils de base. Idéal pour les réparations rapides sans temps d'arrêt.

| Marché |
Revenu total (%) |
| Amérique du Nord |
15 |
| Amérique du Sud |
10 |
| Europe de l'Est |
12 |
| Asie du Sud-Est |
10 |
| Moyen-Orient |
7 |
| Asie de l'Est |
17 |
| Europe occidentale |
15 |
| Asie du Sud |
6 |
| Marché intérieur |
8 |
Écrou carré fini grossiera un faible coût d'entretien. Vérifiez si le fil est rouillé ou tombe pendant l'utilisation. Si le revêtement est porté, remplacez-le. Si l'écrou est dans un environnement de sel, graissez le fil. Évitez la sur-serviette. Les fils épais tombent plus facilement que les beaux.