Maison > Des produits > Boulon > Boulon à bride à tête hexagonale > Boulons hexagonaux avec bride
        Boulons hexagonaux avec bride
        • Boulons hexagonaux avec brideBoulons hexagonaux avec bride
        • Boulons hexagonaux avec brideBoulons hexagonaux avec bride
        • Boulons hexagonaux avec brideBoulons hexagonaux avec bride

        Boulons hexagonaux avec bride

        Les boulons hexagonaux à bride produits par Xiaoguo® jouissent de la confiance des clients du monde entier. Un contrôle strict a été mis en œuvre tout au long du processus de production. Si vous souhaitez vous renseigner sur les tarifs, veuillez nous contacter.
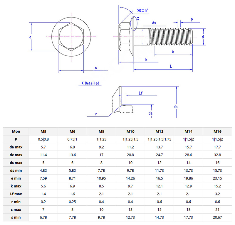
        Modèle:ISO 15071-1999

        envoyer une demande

        Description du produit

        Sous leboulons hexagonaux avec bride, il y a une bride comme un disque. Cela permet aux boulons de jouer un rôle particulier lors de la connexion des objets. Ce type de boulon peut jouer un rôle dans de nombreux endroits où les exigences de connexion sont relativement élevées.

        Hexagon Bolts With Flange

        Applications et paramètres

        Boulons hexagonaux avec bridepeut empêcher la pluie et la rouille. Le traitement de surface de la galvanisation à chaud permet de les utiliser pour des clôtures, des cabanons ou des charpentes de terrasse. Les plaques à bride peuvent empêcher les boulons de se coincer dans le bois ou le métal fin et ne nécessitent pas de traitement de polissage. Ils conviennent aux bâtiments d’arrière-cour.

        Utilisé dans les ateliers et les fermes poussiéreux. La bride dentelée peut maintenir fermement le joint rouillé et la tête hexagonale ne tombera pas même sous un couple élevé. Ils peuvent être utilisés dans les tracteurs, les silos à grains et les étagères pour charges lourdes.


        La structure de la plaque à bride épaissie est intégrée auboulon hexagonal avec bride, combinant les caractéristiques d'entraînement de la tête hexagonale avec la fonction de dispersion de charge axiale. Prenons l'exemple des moteurs industriels. Les vibrations générées pendant le fonctionnement peuvent facilement provoquer une usure par frottement ou une atténuation de la précharge des fixations traditionnelles. Le boulon à bride à tête hexagonale peut supprimer efficacement la transmission de l'énergie vibratoire à l'interface de connexion grâce à l'effet d'amortissement de la plaque à bride et à l'optimisation de la répartition de la pression sur la surface de contact.

        Hexagon Bolts With Flange

        Argument de vente du produit

        Le principal argument de vente deboulons hexagonaux avec brideest que la connexion est stable et peut disperser efficacement la pression. Ils augmentent la zone de contact avec les objets connectés. Une fois serrée, la force peut être répartie uniformément, rendant la connexion plus sûre et réduisant les dommages au matériau. Il a une plus grande capacité à résister aux vibrations.


        Balises actives: Boulons hexagonaux avec bride, Chine, fabricant, fournisseur, usine
        Catégorie associée
        envoyer une demande
        N'hésitez pas à faire votre demande dans le formulaire ci-dessous. Nous vous répondrons dans les 24 heures.
        X
        Nous utilisons des cookies pour vous offrir une meilleure expérience de navigation, analyser le trafic du site et personnaliser le contenu. En utilisant ce site, vous acceptez notre utilisation des cookies. politique de confidentialité
        Rejeter Accepter