Les caractéristiques naturelles des clips à rivets expansibles en plastique les rendent adaptés à des utilisations spéciales et spécifiques. Comme il ne conduit pas l’électricité, il est très important dans les coffrets électriques et les zones à haute tension. Il ne produit pas d’étincelles, ce qui est particulièrement nécessaire dans les endroits où des explosions peuvent se produire (zones ATEX).
Vous ne pouvez pas non plus vous en passer dans les salles d’IRM et dans les appareils électroniques sensibles, des endroits où même les petits champs magnétiques provenant de broches métalliques ne sont tout simplement pas autorisés.

Un bon clip de rivet expansible en plastique est soumis à des tests stricts pour s'assurer qu'il fonctionne de manière cohérente. Ces tests vérifient des éléments tels que la précision de la taille, la force de traction qu'il peut supporter, sa capacité à gérer les coups et s'il fonctionne avec différents produits chimiques.
Les goupilles fendues en plastique de Xiaoguo® sont fabriquées selon les normes industrielles en utilisant des matériaux qui répondent aux exigences spécifiées, garantissant ainsi leurs performances. Ils maintiennent les objets en place en toute sécurité et en toute sécurité conformément à leur destination. Comparées aux goupilles fendues en métal, celles en plastique sont plus résistantes à la corrosion et à la rouille.

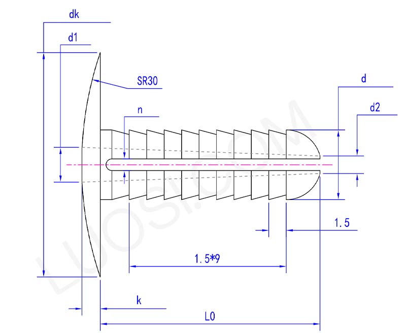
Lun
Φ6
Φ8
Φ10
j max
6
8
10
j min
5.8
7.8
9.8
ne sait pas max
16.2
16.2
18.2
ne sais pas min
15.8
15.8
17.8
kmax
1.6
1.6
2.1
kmin
1.4
1.4
1.9
L0
20
20
22
d1
3
4
5
d2
1.5
2
3
n
1
1
1.5
Nos clips à rivets expansibles en plastique standard sont fabriqués à partir de matériaux conformes aux principales réglementations internationales, notamment RoHS et REACH. Nous proposons également des versions certifiées FDA pour les applications en contact avec les aliments. Des certificats de conformité sont disponibles sur demande.
Nos matériaux sont soigneusement sélectionnés selon les normes mondiales lors de la production, garantissant le respect des normes de qualité en vigueur et garantissant une exportation sûre et une utilisation généralisée dans le monde entier.