Maison > Des produits > Boulon > Boulon d'ancrage > Boulons d'ancrage à tête carrée et à col carré
        Boulons d'ancrage à tête carrée et à col carré
        • Boulons d'ancrage à tête carrée et à col carréBoulons d'ancrage à tête carrée et à col carré
        • Boulons d'ancrage à tête carrée et à col carréBoulons d'ancrage à tête carrée et à col carré
        • Boulons d'ancrage à tête carrée et à col carréBoulons d'ancrage à tête carrée et à col carré

        Boulons d'ancrage à tête carrée et à col carré

        Les boulons d'ancrage à tête carrée et à col carré ont une tête carrée avec un col carré relié à la tête en bas et une structure filetée à l'autre extrémité. Les boulons produits par l'usine Xiaoguo® conviennent aux petits projets de bricolage et à la construction à grande échelle, et peuvent être bien utilisés avec du béton et d'autres matériaux durs.
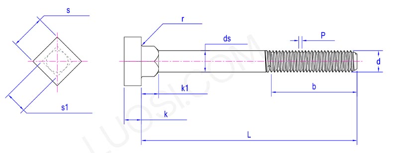
        Modèle:BS 7419-1991

        envoyer une demande

        Description du produit

        La tête des boulons d’ancrage à tête carrée et à col carré est carrée, tout comme le col. La conception à tête carrée offre une grande zone de contact pour la clé, garantissant une application de force plus stable. Il est particulièrement pratique dans les scénarios nécessitant un couple élevé et des mesures antidérapantes.

        Paramètres du produit

        square head square neck anchor bolts parameter

        Lun
        M16
        M20
        M24
        M30
        M36
        M42
        M48
        M56
        M64
        P
        2 2.5 3 3.5 4 4.5 5 5.5 6
        b max
        122 127.5 133 140.5 148 155.5 163 172.5 182
        Bmin
        116 120 124 130 136 142 148 156 164
        DS max
        16.7 20.84 24.84 30.84 37 43 49 57.2 65.2
        DS min
        15.3 19.16 23.16 29.16 35 41 47 54.8 62.8
        Kmin
        9.25 11.6 14.1 17.65 21.45 24.95 28.95 33.75 38.75
        kmax
        10.75 13.4 15.9 19.75 23.55 27.05 31.05 36.25 41.25
        Rmin
        0.6 0.8 0.8 1 1 1.2 1.6 2 2
        c'est maximum
        24 30 36 46 55 65 75 85 95
        s min
        23.16 29.16 35 45 53.8 63.1 73.1 82.8 92.8
        K1 min
        7.25 9.25 11.1 14.1 17.1 19.95 22.95 26.95 30.75
        k1 maximum
        8.75 10.75 12.9 15.9 18.9 22.05 25.05 29.05 33.25
        s1 maximum
        16.7 20.84 24.84 30.84 37 43 49 57.2 65.2
        S1 min
        15.3 19.16 23.16 29.16 35 41 47 54.8 62.8

        Caractéristiques du produit

        Les boulons d'ancrage à tête carrée et à col carré font référence aux boulons fermes intégrés avant que le béton ne se solidifie. Une fois le béton durci, le col carré verrouille leboulonsen place pour les empêcher de tourner lorsque les écrous seront serrés ultérieurement. Ce sont des fondations qui ancrent directement des objets lourds tels que des colonnes, des machines ou de l'acier de construction à la fondation en béton.

        Les boulons d'ancrage sont fermement installés. Lorsque vous serrez l'écrou, le col carré sera fermement serré dans le matériau installé, tel que le béton ou le bois, pour empêcher le boulon de tourner avec l'écrou. De cette façon, l’objet fixe peut rester fermement en place et ne tremblera pas ou ne se déplacera pas facilement.

        L'installation de ce boulon d'ancrage métrique est réalisée lors du coulage du béton. Vous pouvez utiliser des modèles ou des accessoires pour les positionner, en vous assurant que les extrémités filetées sont tournées vers le haut. L'étape clé consiste à noyer la partie à col carré dans le béton humide. Au fur et à mesure que le béton se solidifie autour du col carré, il saisira fermement le col carré. Après cela, il vous suffit de placer l'article sur le boulon, puis de serrer l'écrou sur le filetage exposé.

        Les boulons d'ancrage à tête carrée et à col carré sont résistants aux chocs. Étant donné que les boulons sont physiquement verrouillés dans le béton par le matériau durci entourant le col carré, ils sont moins susceptibles de se desserrer en raison des vibrations ou des mouvements. Cela leur permet d'ancrer de manière fiable des machines ou des structures vibrantes soumises à des charges dynamiques telles que le vent ou la circulation.


        Balises actives: Boulons d'ancrage à tête carrée et à col carré, Chine, fabricant, fournisseur, usine
        Catégorie associée
        envoyer une demande
        N'hésitez pas à faire votre demande dans le formulaire ci-dessous. Nous vous répondrons dans les 24 heures.
        X
        Nous utilisons des cookies pour vous offrir une meilleure expérience de navigation, analyser le trafic du site et personnaliser le contenu. En utilisant ce site, vous acceptez notre utilisation des cookies. politique de confidentialité
        Rejeter Accepter