Maison > Des produits > Vis > Autres vis > Vis à bride à 12 pans avec tige réduite
        Vis à bride à 12 pans avec tige réduite
        • Vis à bride à 12 pans avec tige réduiteVis à bride à 12 pans avec tige réduite
        • Vis à bride à 12 pans avec tige réduiteVis à bride à 12 pans avec tige réduite
        • Vis à bride à 12 pans avec tige réduiteVis à bride à 12 pans avec tige réduite

        Vis à bride à 12 pans avec tige réduite

        La vis à bride 12 pans avec tige réduite convient parfaitement aux applications qui nécessitent une fixation ferme mais souhaitent également réduire l'épaisseur du matériau. Vous pouvez mieux contrôler le couple afin qu'il ne glisse pas lors du serrage. La société Xiaoguo® propose des solutions pratiques.

        envoyer une demande

        Description du produit

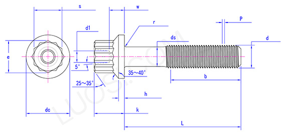
        Vis à bride 12 pans à tige réduite, la tête a 12 coins. La plaque à bride située en dessous ressemble à un joint, augmentant la zone de contact avec le matériau connecté. La partie fine de la tige au milieu a un diamètre plus petit que celui des tiges à vis ordinaires et est utilisée dans certains scénarios spécifiques.

        Paramètres du produit

        Lun #10
        P 32
        d1 0.1
        cc 0.375
        DS max 0.171
        js min 0.161
        e 0.278
        h max 0.05
        h min 0.04
        k 0.26
        r min 0.015
        max 0.025
        c'est maximum 0.251
        s min 0.243
        w 0.13

        Caractéristiques

        Cette vis à bride à tête 12 pans peut être utilisée pour l'installation d'une pompe hydraulique. La pompe haute pression peut trembler, provoquant le desserrage des boulons d'installation. Sa conception à poignée courte peut absorber les vibrations du cou. L'étanchéité des brides peut empêcher les fuites d'huile et ne nécessite pas de joint séparé. Les boulons standard se briseront en quelques mois, alors que ces boulons peuvent résister à plus de 10 000 heures de fonctionnement.

        Une vis à bride à 12 points avec tige réduite peut être utilisée pour le raccordement du collecteur d'échappement. Le collecteur de turbine peut se fissurer au niveau des trous de boulons en raison des contraintes thermiques. Ils peuvent résoudre ce problème. La tige filetée peut être pliée pendant un cycle thermique à 800°C pour éviter la rupture sous contrainte. Lors du démontage, elle est plus résistante à la rouille que la tête hexagonale. Assurez-vous d'appliquer un antigrippant au nickel. Sa durée de vie est deux fois plus longue que celle des boulons ordinaires.

        Ces vis à bride à tête 12 points peuvent réduire le poids. La partie plus étroite sous le filetage peut réduire la perte de matière sans sacrifier la résistance. Il convient parfaitement aux applications sensibles au poids telles que les panneaux d'avions ou les voitures de course. Les brides peuvent toujours être utilisées comme joints intégrés.

        Avantage

        La vis à bride à tête 12 pans avec tige réduite a une forte force de fixation. Il peut résister à un couple important une fois serré. La plaque à bride augmentant le frottement, elle est également très difficile à desserrer dans un environnement vibrant. Cela a réduit les risques pour la sécurité et les pannes d'équipement causées par le desserrage. De plus, lors de l'installation, la conception de la tige fine lui permet de passer plus facilement à travers des matériaux plus fins ou des petits trous sans avoir besoin d'un alésage laborieux. Il est facile à utiliser et permet d'économiser du temps et de la main d'œuvre.

        12 Point Flange Screw With Reduced Shank

        Balises actives: Vis à bride 12 points avec tige réduite, Chine, fabricant, fournisseur, usine
        Catégorie associée
        envoyer une demande
        N'hésitez pas à faire votre demande dans le formulaire ci-dessous. Nous vous répondrons dans les 24 heures.
        X
        Nous utilisons des cookies pour vous offrir une meilleure expérience de navigation, analyser le trafic du site et personnaliser le contenu. En utilisant ce site, vous acceptez notre utilisation des cookies. politique de confidentialité
        Rejeter Accepter