Un boulon de soudage de projection à haute résistance est un type spécial de fixation fabriqué pour se connecter fortement et facilement aux feuilles ou structures métalliques. Il a des projections - généralement des anneaux ou des petites bosses - sur le côté qui touche le métal, et ceux-ci sont faits à des tailles précises.
Lorsque vous le soudez, beaucoup de courant électrique se concentre sur ces projections. Cela fait que le métal s'y fait devenir très chaud, fondre, puis quand il refroidisse, il forme une forte soudure. Cette soudure maintient étroitement le boulon de soudage de projection à haute résistance à la pièce sur laquelle vous travaillez.
Un travail principal du boulon de soudage à haute résistance est de créer un point de fixation permanent basé sur le fil qui peut prendre du poids. Vous avez besoin d'un équipement de soudage de projection spécial pour le souder.
Les électrodes appuyent vers le bas et envoyez beaucoup d'électricité à travers les projections du boulon et la pièce métallique avec laquelle vous travaillez. La façon dont le boulon de soudage est fabriqué signifie uniquement les projections fondre - rien de plus. Quand ils refroidissent, ils forment une forte liaison métallique et le métal autour ne se plit pas ou ne déforment pas beaucoup.
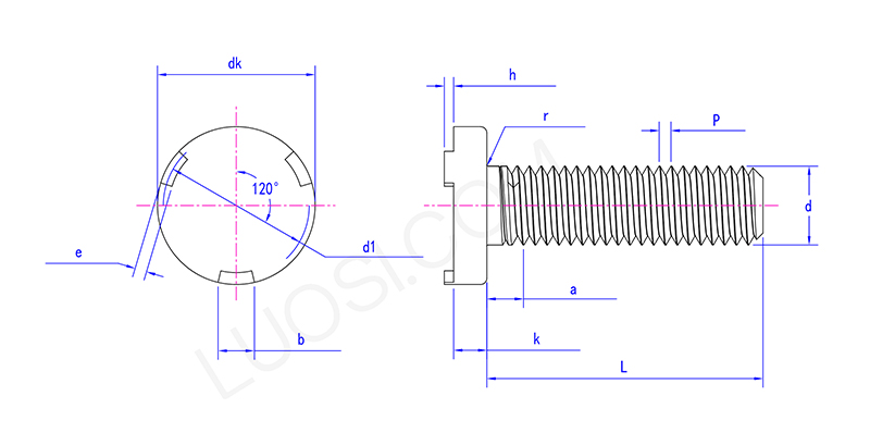
| Lun | M5 | M6 | M8 | M10 |
| P | 0.8 | 1 | 1.25 | 5 |
| DK Max | 12.4 | 14.4 | 16.4 | 20.4 |
| DK Min | 11.6 | 13.6 | 15.6 | 19.6 |
| k max | 2 | 2.2 | 3.2 | 4.2 |
| K min | 1.6 | 1.8 | 3.2 | 4.2 |
| et max | 2.25 | 2.75 | 2.25 | 2.75 |
| E min | 1.75 | 2.25 | 1.75 | 2.25 |
| b max | 3.3 | 4.3 | 5.3 | 6.3 |
| B min | 2.7 | 3.7 | 4.7 | 5.7 |
| H Max | 0.8 | 0.9 | 1.1 | 1.3 |
| H min | 0.6 | 0.75 | 0.9 | 1.1 |
| d1 max | 10 | 11.5 | 14 | 17.5 |
| D1 min | 9 | 10.5 | 13 | 16.5 |
| R min | 0.2 | 0.25 | 0.4 | 0.4 |
| r max | 0.6 | 0.7 | 0.9 | 1.2 |
| un maximum | 3.2 | 4 | 5 | 5 |

Un boulon de soudage de projection à haute résistance a peu de pièces surélevées - généralement des sonneries ou de petites bosses - sur le côté qui est soudé. Lorsque vous le soudez, beaucoup d'électricité se concentre sur ces pièces surélevées. Ils fondent tout de suite contre le métal de base, tandis que l'électrode appuye sur.
Cela fait des soudures solides et serrées qui maintiennent bien le boulon en place. Ils fonctionnent très bien pour les emplois en tôles.