Les qualités des boulons à œil de type à épaulement pour la fixation sont définies par des normes de résistance et de matériaux, essentielles pour un levage en toute sécurité. Les nuances courantes incluent 4,8, 8,8, 10,9 et 12,9 pour les variantes en acier au carbone : des nombres plus élevés signifient une plus grande résistance à la traction. Le grade 4,8 convient aux tâches légères comme le bricolage à domicile, tandis que le grade 8,8 convient à un usage industriel général. Les nuances haute résistance 10,9 et 12,9 supportent de lourdes charges dans la construction ou les machines.
Les versions en acier inoxydable suivent souvent les nuances A4 (316) ou A2 (304), privilégiant la résistance à la corrosion pour les environnements marins/chimiques. Les nuances d'acier allié forgé offrent une durabilité supérieure pour un levage extrême. Chaque catégorie est marquée d'indices de charge, garantissant la compatibilité avec les applications prévues et la conformité en matière de sécurité.
Le contrôle qualité d’un boulon à œil de type épaule signifie effectuer des vérifications approfondies pour s’assurer qu’il est sûr et fonctionne correctement. Ce processus implique généralement de s'assurer que la qualité du matériau est correcte, de vérifier les filetages pour voir s'ils sont précis et d'exécuter des tests de charge pour confirmer la limite de charge de travail (WLL). Ils vérifient également si les dimensions correspondent aux normes comme DIN ou ISO. Chaque lot de boulons à œil doit être traçable et vous obtiendrez une certification prouvant qu'il répond aux exigences relatives à la manière dont vous allez l'utiliser.

Le contrôle qualité d’un boulon à œil de type épaule signifie effectuer des vérifications approfondies pour s’assurer qu’il est sûr et fonctionne correctement. Ce processus implique généralement de s'assurer que la qualité du matériau est correcte, de vérifier les filetages pour voir s'ils sont précis et d'exécuter des tests de charge pour confirmer la limite de charge de travail (WLL). Ils vérifient également si les dimensions correspondent aux normes comme DIN ou ISO. Chaque lot de boulons à œil doit être traçable et vous obtiendrez une certification prouvant qu'il répond aux exigences relatives à la manière dont vous allez l'utiliser.

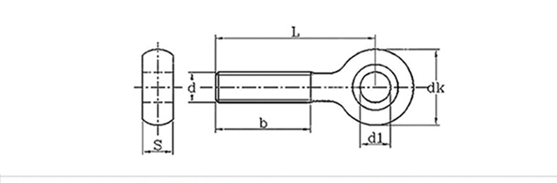
mm
Diamètre du filetage
d1
n'importe quoi
s
M6
5
10.5
5.4
M8
6
13
7
M10
8
16
8.5
M12
10
19
10.5
M14
10
22
12