Maison > Des produits > Vis > Autres vis > Vis à ressort
        Vis à ressort
        • Vis à ressortVis à ressort
        • Vis à ressortVis à ressort
        • Vis à ressortVis à ressort
        • Vis à ressortVis à ressort
        • Vis à ressortVis à ressort

        Vis à ressort

        Les vis à ressort sont fréquemment utilisées dans les applications nécessitant une résistance aux vibrations, une compensation de dilatation thermique ou une force de serrage contrôlée, telles que l'automobile ou l'électronique. Xiaoguo® dispose d'un équipement et d'un personnel professionnels, fournissant des services professionnels, et est un fabricant chinois bien connu.

        envoyer une demande

        Description du produit

        Les vis à ressort bénéficient de différents traitements de surface avancés pour mieux fonctionner et durer plus longtemps. Les plus courants incluent le zinc électrolytique, parfois avec une passivation au chromate jaune, bleu ou clair pour lutter contre la rouille et avoir une meilleure apparence. Il existe également du Geomet® résistant (qui est comme le Dacromet, un revêtement en flocons de zinc), des revêtements de phosphate durables (comme le manganèse ou le phosphate de zinc pour retenir l'huile et ajuster la friction) ou des lubrifiants à film sec sophistiqués.


        Les vis à ressort en acier inoxydable sont généralement passivées pour augmenter leur résistance naturelle à la corrosion. Ces traitements les empêchent de rouiller, réduisent la friction lorsque vous les installez (vous obtenez ainsi une charge de serrage plus précise) et peuvent même leur conférer des propriétés électriques spécifiques.

        Paramètres du produit

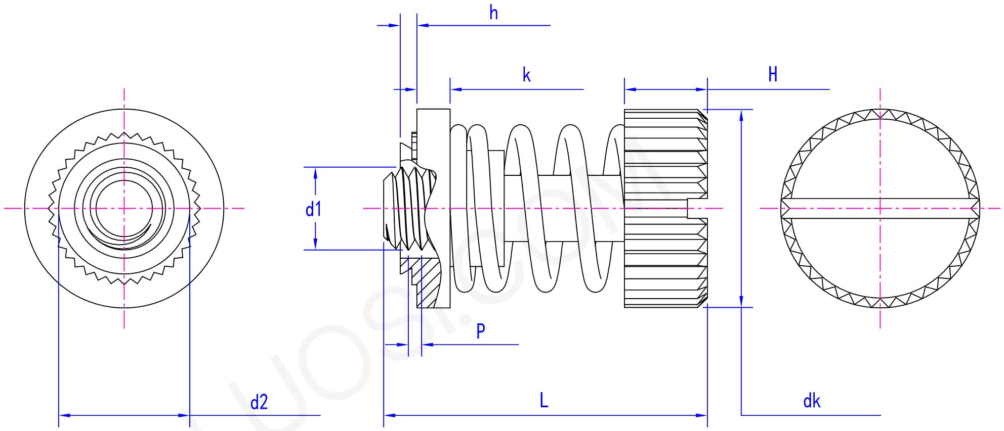
        Lun 440 632 832 032
        P 40 32 32 32
        d1 #4 #6 #8 #10
        d2 maximum 0.202 0.218 0.249 0.311
        ne sait pas max 0.416 0.448 0.478 0.54
        ne sais pas min 0.396 0.428 0.458 0.52
        h max 0.038 0.038 0.038 0.038
        kmax

        0.128

        0.128 0.128 0.12
        kmin0,118 0.118 0.118 0.118 0.11
        Hmax 0.207 0.207 0.212 0.225
        H min 0.197 0.197 0.202 0.215




        Taille

        Les vis à ressort sont disponibles dans des tonnes de tailles et de types pour répondre à différents besoins d'ingénierie. Pour les filetages métriques, les tailles courantes vont du filetage fin M2 jusqu'à M12 ou plus. Les tailles impériales vont de #4 à 1/2 pouce de diamètre. Les longueurs changent beaucoup en fonction de la profondeur à laquelle elles doivent aller dans l'application.


        Les spécifications importantes incluent le pas de filetage, le style de tête (comme une tête hexagonale, une bride, un bouton ou un capuchon de douille), le type d'entraînement (douille hexagonale, Phillips, Torx®) et la conception de la partie ressort intégrée (pensez à la rondelle Belleville, au ressort ondulé ou à une forme de filetage spécifique). La plupart suivent des normes telles que DIN, ISO ou celles exigées par les constructeurs OEM.

        Spring Loaded Screw

        Normes de qualité et certifications industrielles

        Q : Est-il conforme aux normes de qualité internationales telles que l'ISO ou aux certifications spécifiques de l'industrie ?

        R : Oui, nous prenons la production au sérieux. Nos vis à ressort sont fabriquées selon les normes ISO, comme ISO 9001 pour le contrôle qualité. Si vous avez besoin de certifications spécifiques à un secteur, nous pouvons également le faire, comme l'IATF 16949 pour l'automobile ou l'AS9100 pour l'aérospatiale. Nous pouvons fournir des rapports de certification des matériaux (MTC) et des contrôles dimensionnels pour chaque lot. De cette façon, vous pouvez suivre la provenance des matériaux et vous assurer que tout répond aux spécifications de votre projet.


        Balises actives: Vis à ressort, Chine, fabricant, fournisseur, usine
        Catégorie associée
        envoyer une demande
        N'hésitez pas à faire votre demande dans le formulaire ci-dessous. Nous vous répondrons dans les 24 heures.
        X
        Nous utilisons des cookies pour vous offrir une meilleure expérience de navigation, analyser le trafic du site et personnaliser le contenu. En utilisant ce site, vous acceptez notre utilisation des cookies. politique de confidentialité
        Rejeter Accepter