Maison > Des produits > Noix > Écrou hexagonal > Écrou hexagonal haute résistance
        Écrou hexagonal haute résistance
        • Écrou hexagonal haute résistanceÉcrou hexagonal haute résistance
        • Écrou hexagonal haute résistanceÉcrou hexagonal haute résistance
        • Écrou hexagonal haute résistanceÉcrou hexagonal haute résistance

        Écrou hexagonal haute résistance

        Les écrous hexagonaux à haute résistance peuvent être utilisés dans des environnements où les écrous standards ne peuvent pas être utilisés. La hauteur des écrous de type 2 est environ 10 % plus élevée que celle du type 1. Lors de l'achat chez Xiaoguo®, nous garantissons de vous fournir des produits de haute qualité qui répondent à vos besoins de fixation.
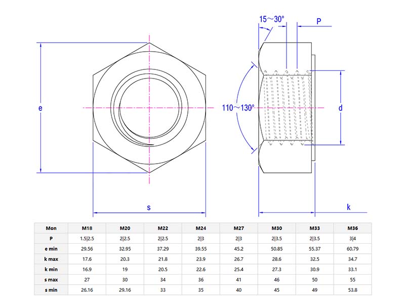
        Modèle:GB/T 33943-2017

        envoyer une demande

        Description du produit


        Écrou hexagonal haute résistanceest plus épais et plus résistant que le type 1, et la capacité de charge est supérieure à celle du type 1, ce qui les rend adaptés aux charges lourdes ou aux scénarios exigeants. Le type 1 convient aux travaux légers, tandis que le type 2 convient aux machines lourdes ou aux charges structurelles. Cependant, le type 2 est plus coûteux et plus lourd.

        L'écrou hexagonal à chanfrein unique de type 2 est un écrou hexagonal relativement abordable qui ne nécessite pas de traitement thermique. Les écrous de type 2 sont principalement utilisés dans les applications où l'assemblage et le démontage sont souvent nécessaires, telles que l'aérospatiale, l'automobile, la construction, les machines et d'autres applications nécessitant des connecteurs relativement solides.


        Détails et paramètres du produit

        Type 2 Single Chamfered Hexagon Nut


        L'écrou hexagonal à simple chanfrein de type 2 est installé sur les châssis de camions, les systèmes de bandes transporteuses ou les équipements agricoles. Ils peuvent résister à un couple plus important, empêchant l'écrou de se dénuder, et le chanfrein permet d'aligner rapidement le boulon. Ils sont trop encombrants pour les étagères ou les meubles basiques.

        Lors du choix de l'écrou hexagonal à chanfrein simple de type 2, la taille du boulon doit être prise en compte en premier. Faites correspondre le diamètre du filetage (par exemple M12, ¾ ") et le pas (filetage grossier ou filetage fin). Le chanfreinage ajoutera un petit angle à un côté du filetage. Lors du serrage, évitez de mal visser les filetages. Ne mélangez pas les filetages métriques et impériaux, car cela endommagerait les filetages.

        Leécrou hexagonal haute résistancepeut guider les boulons plus rapidement, réduisant ainsi les temps d'arrêt des équipements en production de masse. Les écrous galvanisés à chaud conviennent à une utilisation en extérieur, mais doivent être évités dans des environnements corrosifs où le revêtement peut s'user. Ne réutilisez pas les écrous sur des équipements mis au rebut.


        Type 2 Single Chamfered Hexagon Nut

        Conseils d'installation

        Lors de l'installation duécrou hexagonal haute résistance, le chanfrein fait face au boulon pour rendre la connexion filetée plus lisse. Utilisez une clé dynamométrique pour le serrer. Attention, un serrage excessif pourrait endommager le boulon. Il est recommandé d'utiliser en combinaison des boulons de haute qualité (avec le même degré de résistance) et des rondelles trempées.

        Balises actives: Écrou hexagonal haute résistance, Chine, fabricant, fournisseur, usine
        Catégorie associée
        envoyer une demande
        N'hésitez pas à faire votre demande dans le formulaire ci-dessous. Nous vous répondrons dans les 24 heures.
        X
        Nous utilisons des cookies pour vous offrir une meilleure expérience de navigation, analyser le trafic du site et personnaliser le contenu. En utilisant ce site, vous acceptez notre utilisation des cookies. politique de confidentialité
        Rejeter Accepter