Maison > Des produits > Noix > Écrou hexagonal > Top noix hexagonale insérée
      Top noix hexagonale insérée
      • Top noix hexagonale inséréeTop noix hexagonale insérée
      • Top noix hexagonale inséréeTop noix hexagonale insérée
      • Top noix hexagonale inséréeTop noix hexagonale insérée

      Top noix hexagonale insérée

      Xiaoguo® produit un écrou hexagonal inséré supérieur avec des inserts intégrés pour une résistance supplémentaire. Ces noix conviennent à une utilisation quotidienne, aucun autre outil spécial n'est nécessaire. Si vous prévoyez de passer une commande, nous fournirons des échantillons gratuits pour vos tests. Nous enverrons une liste de prix claire.

      envoyer une demande

      Description du produit

      L'écrou hexagonal inséré supérieur est conçu avec un insert intégré pour garder les fils sécurisés. Ces noix utilisent une clé standard et ne sont pas susceptibles de tomber une fois installées. Ils resteront en sécurité, que vous travailliez sur une voiture ou un équipement. Vérifiez notre inventaire pour la disponibilité.  

      Top inserted hexagonal nut

      Détails et paramètres du produit

      LeTop noix hexagonale inséréeest une fixation auto-verrouillable avec un anneau en nylon ou en polymère placé en haut de ses fils. Lorsqu'il est resserré sur unboulon, L'insert saisit les fils pour éviter le relâchement des vibrations.Top noix hexagonale inséréeest en acier ou en acier inoxydable, il est conçu pour les machines, les véhicules ou l'équipement où la fiabilité est importante. La forme hexagonale fonctionne avec des clés standard et l'insert supérieur saute le besoin de rondelles de verrouillage supplémentaires. Simple à installer, réutilisable (à un point) et construit pour les configurations tremblantes quotidiennes.

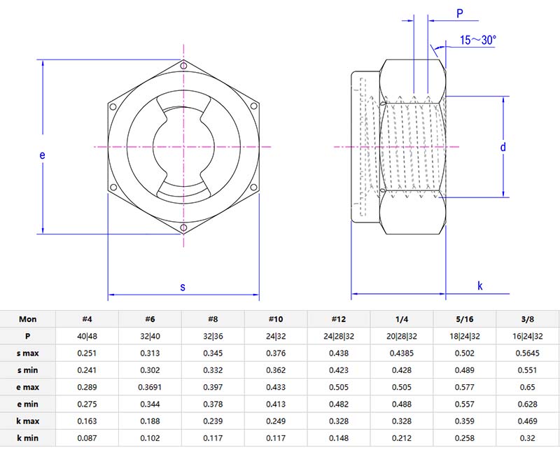
      Top inserted hexagonal nut parameters

      Top noix hexagonale inséréeconviennent aux situations de charge élevée, le dessus d'insert améliore l'écrou pour le boulon et réduit les relâches des écrous dus aux vibrations. L'écrou est utilisé dans le chemin de fer, les machines minières et l'équipement lourd. Nous acceptons les méthodes personnalisées, galvanisées, phosphatiantes et d'autres méthodes de traitement de surface, peuvent empêcherl'écroud'être corrodé.

      Utiliser leTop noix hexagonale inséréepour sécuriser les pièces qui secouent ou se déplacent. Exemples: Fixation de miroirs de moto, maintien des rouleaux en tapis roulant en place ou assemblant des chaises de bureau avec des bras réglables. Il est également pratique pour les équipements extérieurs comme les porte-vélos ou les abris de jardin, où le temps et le mouvement pourraient desserrer les noix standard.

      Notre distribution de marché

      Marché
      Revenu total (%)
      Amérique du Nord
      15
      Amérique du Sud
      3
      Europe de l'Est
      21
      Asie du Sud-Est
      5
      Moyen-Orient
      5
      Asie de l'Est
      15
      Europe occidentale
      17
      Amérique centrale
      5
      Europe du Nord
      6
      Asie du Sud
      8

      Conseils d'entretien


      LeTop noix hexagonale inséréeest peu maintenance. Évitez la surchauffe, qui peut faire fondre l'insert. Remplacerl'écrouSi l'insert se sent lâche ou usé. Pour une utilisation extérieure, piez de l'acier inoxydable pour résister à la rouille. La réutilisation est possible mais non recommandée pour les emplois critiques. Gardez les choses simples, gardez-les serrés.


      Balises actives: Top noix hexagonale insérée, Chine, fabricant, fournisseur, usine
      Catégorie associée
      envoyer une demande
      N'hésitez pas à faire votre demande dans le formulaire ci-dessous. Nous vous répondrons dans les 24 heures.
      X
      We use cookies to offer you a better browsing experience, analyze site traffic and personalize content. By using this site, you agree to our use of cookies. Privacy Policy
      Reject Accept